Wkładka do drzwi: jak wybrać model naprawdę odporny na włamanie?
Włamanie do mieszkania nie zawsze wymaga siłowego forsowania drzwi czy wybicia szyby. Coraz częściej złodzieje stosują metody manipulacyjne – szybkie, ciche i trudne do wykrycia. Właśnie dlatego to nie grubość skrzydła czy wygląd zamka, ale wkładka cylindryczna staje się kluczowym elementem systemu zabezpieczeń. To ona odpowiada za to, czy drzwi da się otworzyć bez użycia oryginalnego klucza.
Na rynku dostępnych jest wiele modeli wkładek, które różnią się ceną, konstrukcją i poziomem zabezpieczeń. Ale jak rozpoznać tę naprawdę odporną na włamanie? Jakie cechy powinna mieć dobra wkładka, aby skutecznie chronić dom lub mieszkanie przed nieautoryzowanym dostępem? W tym artykule odpowiemy na te pytania, analizując najczęstsze techniki włamań i konkretne rozwiązania, które im zapobiegają. Jeśli chcesz świadomie wybrać wkładkę, która nie zawiedzie w krytycznym momencie – czytaj dalej.


Dlaczego to właśnie wkładka bywa najsłabszym punktem w drzwiach wejściowych?
Choć wiele osób inwestuje w solidne drzwi wejściowe i estetyczne klamki, wkładka do zamka często pozostaje elementem niedocenianym – a to ona w praktyce odpowiada za bezpieczeństwo mechanizmu zamykania. W wielu przypadkach to właśnie standardowe wkładki stają się celem włamywaczy, ponieważ są podatne na otwieranie manipulacyjne, takie jak bumping czy lockpicking.
Każda wkładka, która nie spełnia aktualnych norm bezpieczeństwa i nie posiada niezbędnych certyfikatów, może stać się punktem dostępu do wnętrza mieszkania lub domu. W starszych drzwiach zewnętrznych nadal stosowane są wkładki drzwiowe bez zabezpieczeń anty-snap czy bez zabezpieczenia przed rozwierceniem, co sprawia, że ich pokonanie trwa zaledwie kilkanaście sekund.
Ponadto wkładki, które zbyt mocno wystają poza szyld, są narażone na złamanie – nawet te wykonane z wysokiej jakości materiałów, jak stal czy stop mosiądzu, jeśli są źle dobrane wymiarami, nie zapewnią odpowiedniej ochrony. Dlatego tak ważne jest, by wybierać antywłamaniowe wkładki, które łączą niezawodność mechanizmu, odpowiedni dobór do drzwi i pełną odporność na techniki stosowane przez włamywaczy.
Warto również rozważyć wkładki dwustronne lub modele z gałką (wewnątrz) dla większego komfortu użytkowania. Ciekawym rozwiązaniem jest także system jednego klucza, dzięki któremu wszystkie zamki w domu można otwierać za pomocą jednego klucza, bez utraty bezpieczeństwa.
Jeśli zależy Ci na produkcie, który spełni najwyższe standardy zabezpieczenia, wybieraj spośród wkładek z atestami, wykonanych z wysokiej jakości materiałów, odpornych na korozję, z trwałymi pokrętłami i precyzyjnie dopasowanych do zamka. W ofercie sklepu internetowego znajdziesz szeroki wybór modeli dostosowanych do różnych potrzeb - zarówno pod względem rozmiaru, zastosowania, jak i rodzaju montażu.
Jakie techniki stosują włamywacze i jak powinna przed nimi chronić dobra wkładka?
W praktyce większość włamań odbywa się przy użyciu kilku sprawdzonych technik. Poniżej wyróżniamy trzy najpowszechniejsze sposoby ataku - bumping, snap i lockpicking - oraz wskazówki, jakie cechy powinna mieć wkładka, by skutecznie im przeciwdziałać.
-
Bumping
-
Co to jest: szybka technika polegająca na użyciu „bump key” i uderzeniu w klucz, co chwilowo ustawia piny we właściwej pozycji.
-
Jak chronić: piny antybumpingowe (grzybkowe/stożkowe), mieszane typy pinów (np. grzybkowe + stożkowe), dodatkowe elementy boczne i nieregularne progi w bębenku. Szukaj w specyfikacji oznaczeń „antibump” lub informacji o mieszanych pinach.
-
-
Snap (łamanie wkładki)
-
Co to jest: złamanie wystającej części wkładki na wysokości śruby mocującej, aby odsłonić mechanizm i obrócić bębenek.
-
Jak chronić: wkładka z konstrukcją anty-snap (strefa kontrolowanego złamania), wzmocniony stalowy mostek, stalowe tuleje osłaniające bębenek oraz szyld/rozeta antywyważeniowa. Warto wybierać modele z deklarowaną odpornością na snap.
-
-
Lockpicking (wytrychowanie)
-
Co to jest: precyzyjna manipulacja wytrychami w celu ustawienia pinów i odblokowania wkładki bez użycia klucza.
-
Jak chronić: security pins (piny zabezpieczające), sprężyny o zróżnicowanej charakterystyce, złożony profil kanału klucza, sidebars lub inne mechanizmy przeciwdziałające manipulacji. Im bardziej złożona geometria bębenka, tym trudniejsze wytrychowanie.
-


Na jakie cechy i oznaczenia warto zwrócić uwagę przy wyborze wkładki drzwiowej?
Wybierając wkładkę do drzwi - zwłaszcza do drzwi wejściowych czy drzwi zewnętrznych - zwróć uwagę nie tylko na wygląd, ale przede wszystkim na zestaw cech technicznych i oznaczeń, które realnie wpływają na bezpieczeństwo i trwałość. Poniżej kluczowe elementy, z praktycznymi wskazówkami i słowami, które pomogą porównać oferty producentów i sklepów.
-
Normy i certyfikaty: najpierw sprawdź, czy wkładka ma niezbędne certyfikaty i atesty. Oznaczenia potwierdzające zgodność z normami oraz testy niezależnych laboratoriów to gwarancja, że antywłamaniowe wkładki spełniają najwyższe standardy. Każda wkładka bez dokumentów powinna wzbudzić ostrożność.
-
Zabezpieczenia przeciw manipulacji: szukaj informacji o funkcjach: antybumping, antypick (security pins), antidrill (hartowane trzpienie, płytki), anty-snap (strefa kontrolowanego złamania, wzmocniony mostek). Te rozwiązania zapewniają ochronę przed otwieraniem manipulacyjnym i zmniejszają ryzyko włamania.
-
Materiał i wykończenie: wkładki wykonane z wysokiej jakości materiałów (mosiądz, stal hartowana) i pokryte trwałymi powłokami (nikiel, chrom) są bardziej odporne na zużycie i korozję. Wysokiej jakości materiał zapewnia trwałość mechanizmu i estetykę przez lata.
-
Konstrukcja i wzmocnienia: zwróć uwagę na obecność stalowych tulei, hartowanych kołków i wzmocnionego mostka. Takie elementy chronią mechanizm wkładki do zamka przed frezowaniem i łamaniem oraz zwiększają ogólną niezawodność.
-
Dopasowanie rozmiaru i montaż: rozmiar wkładki musi pasować do grubości drzwi i szyldu — niewłaściwe wymiary (zbyt wysunięta część zewnętrzna) ułatwiają ataki typu snap. Przy montażu ważny jest prawidłowy moment dokręcania i osiowanie z zamkiem, by zabezpieczenie działało poprawnie.
-
Ograniczenie dorabiania kluczy: systemy z kartą bezpieczeństwa i kluczem patentowym utrudniają nieautoryzowane kopiowanie. Jeśli chcesz kontrolować dostęp, wybieraj wkładki z taką opcją — to realna ochrona przed nieautoryzowanym dostępem.
-
Wersje i funkcjonalność: rozważ wkładki dwustronne, z gałką (wewnątrz) lub półwkładki w zależności od zastosowania. Modele wyposażone w gałkę zwiększają komfort użytkowania, ale zwróć uwagę, czy wersja nie obniża odporności. System jednego klucza (master key) ułatwia obsługę większych instalacji, pamiętaj jednak, by nie rezygnować z zabezpieczeń.
-
Kompatybilność z szyldami i rozetami: dobre szyldy antywłamaniowe i rozety obrotowe dodatkowo chronią czoło wkładki przed wierceniem i łamaniem. W kompletnym solidnym systemie drzwiowym wkładka współgra z szyldem, klamką i zamkiem wielopunktowym.
-
Gwarancja, atesty i oferta: sprawdź warunki gwarancji i czy producent/dystrybutor oferuje atesty oraz wsparcie serwisowe. W sklepie internetowym wybieraj z szerokiego wyboru modeli, ale porównuj specyfikacje, nie tylko cenę.
-
Trwałość i estetyka: jeśli wkładka ma być używana w drzwiach narażonych na warunki atmosferyczne, wybierz wersje odporne na korozję i pył. Wykończenie w niklu lub chromie zapewni trwałość i ładny wygląd zewnętrzny.


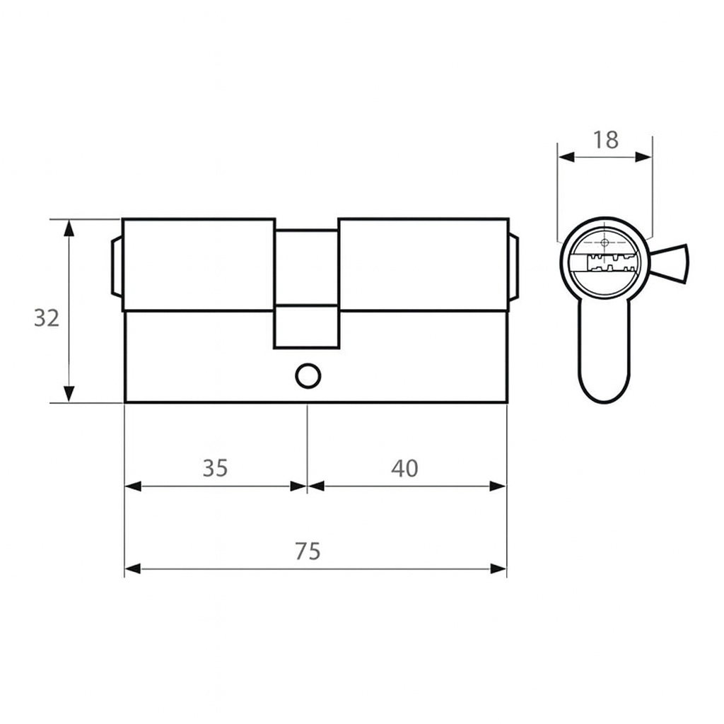
Jak dobrać odpowiednią długość wkładki i dlaczego to ma znaczenie dla bezpieczeństwa?
Długość wkładki ma bezpośredni wpływ na bezpieczeństwo: wkładka wystająca ponad szyld ułatwia ataki typu snap i daje punkt podparcia do dźwigniowania, a wkładka za krótka może uniemożliwić prawidłowy montaż i pracę zamka. Najczęściej stosowane proporcje oznacza się jako np. 30/30, 30/35, 35/40, pierwsza wartość to odległość od środka śruby mocującej do zewnętrznej krawędzi, druga do wewnętrznej.
Jak mierzyć: zamknij drzwi, zmierz od środka otworu montażowego (śruby) do krawędzi zewnętrznej drzwi i do krawędzi wewnętrznej - to będą Twoje wartości. Uwaga na dodatkowe elementy: rozetki, szyldy lub rozety maskujące mogą wymagać kilku milimetrów zapasu, żeby wkładka nie wystawała poza osłonę.
Zasady praktyczne:
-
unikaj wystawania części zewnętrznej więcej niż ~1-2 mm poza szyld;
-
jeśli używasz wkładki z gałką, zapewnij wystarczającą długość po stronie wewnętrznej;
-
dobierz długość do grubości skrzydła i grubości zastosowanego szyldu/rozetki;
-
przy wątpliwościach wybierz o 2-3 mm krótszą z regulacją rozety niż wkładkę, która będzie wystawać.
Prawidłowo dobrana wkładka pasuje do zamka i szyldu, pracuje bez luzów i minimalizuje ryzyko mechanicznego ataku - to prosty, ale kluczowy element skutecznego zabezpieczenia drzwi. Jeśli nie jesteś pewien, skorzystaj z pomocy fachowca przy pomiarze i montażu.
Wybór odpowiedniej wkładki do drzwi wejściowych to nie tylko kwestia komfortu, ale przede wszystkim realnego zabezpieczenia przed włamaniem. Nawet najlepiej wyglądające drzwi nie spełnią swojej roli, jeśli wyposażysz je w standardową wkładkę, łatwą do sforsowania metodą manipulacyjną. Dlatego warto postawić na antywłamaniowe wkładki z odpowiednimi certyfikatami, wykonane z wysokiej jakości materiałów, dopasowane wymiarami i funkcjonalnością do konstrukcji drzwi.
Jeśli zależy Ci na solidnym zabezpieczeniu mieszkania lub domu, nie oszczędzaj na wkładce – to ona decyduje, czy ktoś niepowołany będzie w stanie otworzyć drzwi bez Twojego klucza. Sprawdź szeroki wybór sprawdzonych produktów w naszym sklepie internetowym i skorzystaj z wiedzy, która pozwoli Ci dobrać wkładkę do zamka, spełniającą najwyższe standardy bezpieczeństwa.
Zachęcamy do zapoznania się artykułem pt. Wymiana wkładki do drzwi krok po kroku: samodzielny poradnik dla majsterkowiczów, który przedstawia instrukcję, jak bez pomocy fachowca wymienić wkładkę w drzwiach - od przygotowania narzędzi, przez demontaż starej wkładki, po dobór i montaż nowej w sposób skuteczny i bezpieczny









